品牌展示
- YUKEN油研液壓
- REXROTH液壓泵
- VICKERS液壓油泵
- DAIKIN液壓油泵
- PARKER液壓油泵
- NACHI液壓油泵
- DENISON液壓油泵
- Marzocchi齒輪泵
- Sumitomo齒輪泵
- Danfoss液壓泵
- Berarma葉片泵
- YEOSHE液壓泵
- 東京計器液壓泵
- SALAMI齒輪油泵
- VIVOIL齒輪油泵
- CASAPPA齒輪泵
- Caproni齒輪油泵
- Bucher齒輪泵
- HESPER齒輪泵
- HYDAC齒輪泵
- Roquet齒輪泵
- Bondioli齒輪泵
- Jihostroj齒輪泵
- Duplomatic迪普馬
- METARIS齒輪泵
- ATOS齒輪油泵
- KRACHT齒輪泵
- Brevini齒輪油泵
- RONZIO齒輪泵
- 沃爾沃齒輪泵
- Commercial液壓泵
- LINDE液壓油泵
- HAWE液壓油泵
- Kawasaki液壓泵
- 赫格隆液壓馬達
- 力士樂減速機
- 其他品牌
- 維修服務
最新動態

手機:13686884195
電話:0755-29874345
QQ:2737435508
2737435508@qq.com
首頁Marzocchi齒輪泵產品詳情

ALM2BK1-R-* 系列齒輪馬達
品牌類型:
發布時間:
Marzocchi齒輪泵
2024-12-25 15:56:08
溫馨提示:由于產品型號太多,網站只能列出部分產品信息。如您在網站中未能找到您需要的型號,請咨詢我們的在線客服!
咨詢熱線:0755-29874345、0755-29874345
詳情介紹
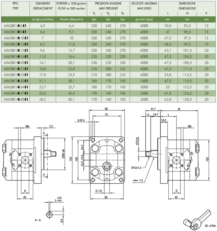
馬祖奇ALM2BK1-R-* 系列齒輪馬達參數及尺寸:

馬祖奇齒輪馬達ALM2BK1-R-* 系列相關型號:
意大利馬祖奇ALM2BK1-R-* 系列齒輪馬達是一款高性能、高可靠性的液壓傳動裝置。以下是對該系列齒輪馬達的詳細介紹:
一、產品概述
ALM2BK1-R-* 系列齒輪馬達是意大利馬祖奇(Marzocchi)公司設計并生產的一款產品,它結合了先進的設計理念和高質量的制造工藝,以滿足各種工業應用中的高要求。
二、產品特點
高性能:該系列齒輪馬達采用高性能材料和優化的齒輪設計,能夠在高壓力和高溫環境下高效地傳輸流體,提供穩定的動力輸出。
可靠性:堅固和耐用的設計使得ALM2BK1-R-* 系列齒輪馬達能夠承受嚴苛的工作環境,減少維修和更換的頻率,降低運營成本。
維護簡便:模塊化設計使得快速更換磨損部件成為可能,減少了停機時間,提高了設備的利用率。
多種配置:提供多種排量、壓力、電壓和驅動方式等配置選項,以滿足不同應用需求。
緊湊設計:節省安裝空間,同時運行時產生的噪音低,改善了工作環境。
三、產品型號與規格
ALM2BK1-R-* 系列齒輪馬達包含多種型號和規格,如ALM2BK1-R-9-E1、ALM2BK1-R-12-E1等。不同型號和規格的齒輪馬達在排量、壓力、轉速等方面存在差異,用戶可以根據實際需求選擇合適的型號。
四、應用領域
ALM2BK1-R-* 系列齒輪馬達廣泛應用于各種需要高壓力、高溫傳輸流體的應用場景,如:
工程機械:挖掘機、裝載機、起重機等。
農業機械:拖拉機、收割機、播種機等。
工業設備:注塑機、壓力機、機床等。
其他領域:環保設備、食品加工設備、冶金設備等。
五、維護與保養
為確保ALM2BK1-R-* 系列齒輪馬達的長期穩定運行,用戶應定期進行維護和保養,包括:
檢查油液:定期檢查油液的清潔度和粘度,確保油液符合規定要求。
更換濾芯:定期更換油液濾芯,防止雜質進入液壓系統。
清洗油箱:定期清洗油箱和管路,去除沉積物和污垢。
檢查密封件:定期檢查密封件的狀態,如有磨損或老化應及時更換。
六、注意事項
安裝:在安裝ALM2BK1-R-* 系列齒輪馬達時,應確保安裝位置正確、固定牢靠,并避免受到過大的沖擊和振動。
操作:在操作過程中,應遵守操作規程和安全規范,避免超載和長時間連續工作。
維修:在維修過程中,應由專業人員進行操作,避免損壞馬達內部結構或影響其性能。
綜上所述,意大利馬祖奇ALM2BK1-R-* 系列齒輪馬達以其高性能、可靠性和耐用性而備受青睞。在選擇和使用時,用戶應根據實際需求選擇合適的型號和規格,并遵循操作規程和安全規范進行操作和維護。

| 馬祖奇ALM2BK1-R-6-E1齒輪馬達 馬祖奇ALM2BK1-R-9-E1齒輪馬達 馬祖奇ALM2BK1-R-10-E1齒輪馬達 馬祖奇ALM2BK1-R-12-E1齒輪馬達 馬祖奇ALM2BK1-R-13-E1齒輪馬達 | 馬祖奇ALM2BK1-R-16-E1齒輪馬達 馬祖奇ALM2BK1-R-20-E1齒輪馬達 馬祖奇ALM2BK1-R-22-E1齒輪馬達 馬祖奇ALM2BK1-R-25-E1齒輪馬達 | 馬祖奇ALM2BK1-R-30-E1齒輪馬達 馬祖奇ALM2BK1-R-34-E1齒輪馬達 馬祖奇ALM2BK1-R-37-E1齒輪馬達 馬祖奇ALM2BK1-R-40-E1齒輪馬達 |
一、產品概述
ALM2BK1-R-* 系列齒輪馬達是意大利馬祖奇(Marzocchi)公司設計并生產的一款產品,它結合了先進的設計理念和高質量的制造工藝,以滿足各種工業應用中的高要求。
二、產品特點
高性能:該系列齒輪馬達采用高性能材料和優化的齒輪設計,能夠在高壓力和高溫環境下高效地傳輸流體,提供穩定的動力輸出。
可靠性:堅固和耐用的設計使得ALM2BK1-R-* 系列齒輪馬達能夠承受嚴苛的工作環境,減少維修和更換的頻率,降低運營成本。
維護簡便:模塊化設計使得快速更換磨損部件成為可能,減少了停機時間,提高了設備的利用率。
多種配置:提供多種排量、壓力、電壓和驅動方式等配置選項,以滿足不同應用需求。
緊湊設計:節省安裝空間,同時運行時產生的噪音低,改善了工作環境。
三、產品型號與規格
ALM2BK1-R-* 系列齒輪馬達包含多種型號和規格,如ALM2BK1-R-9-E1、ALM2BK1-R-12-E1等。不同型號和規格的齒輪馬達在排量、壓力、轉速等方面存在差異,用戶可以根據實際需求選擇合適的型號。
四、應用領域
ALM2BK1-R-* 系列齒輪馬達廣泛應用于各種需要高壓力、高溫傳輸流體的應用場景,如:
工程機械:挖掘機、裝載機、起重機等。
農業機械:拖拉機、收割機、播種機等。
工業設備:注塑機、壓力機、機床等。
其他領域:環保設備、食品加工設備、冶金設備等。
五、維護與保養
為確保ALM2BK1-R-* 系列齒輪馬達的長期穩定運行,用戶應定期進行維護和保養,包括:
檢查油液:定期檢查油液的清潔度和粘度,確保油液符合規定要求。
更換濾芯:定期更換油液濾芯,防止雜質進入液壓系統。
清洗油箱:定期清洗油箱和管路,去除沉積物和污垢。
檢查密封件:定期檢查密封件的狀態,如有磨損或老化應及時更換。
六、注意事項
安裝:在安裝ALM2BK1-R-* 系列齒輪馬達時,應確保安裝位置正確、固定牢靠,并避免受到過大的沖擊和振動。
操作:在操作過程中,應遵守操作規程和安全規范,避免超載和長時間連續工作。
維修:在維修過程中,應由專業人員進行操作,避免損壞馬達內部結構或影響其性能。
綜上所述,意大利馬祖奇ALM2BK1-R-* 系列齒輪馬達以其高性能、可靠性和耐用性而備受青睞。在選擇和使用時,用戶應根據實際需求選擇合適的型號和規格,并遵循操作規程和安全規范進行操作和維護。
![【港隆液壓】液壓元件[液壓油泵,電磁閥] 一站式服務平臺](upload/20210127173032768281.png)





