技術支持
- 力士樂液壓泵銘牌上的這些A11VLO190A10VO45AZ各代表什么意思?
- 柱塞泵,葉片泵故障現象及原因分析
- 電動抽油泵怎么樣維修保養?怎么使用?
- 派克PGP502齒輪泵,派克PGP505齒輪泵,派克PGP511齒輪泵,派克PGP517齒輪泵
- VICKERS柱塞泵PVB的特性和剖視圖,伊頓威格士
- 力士樂柱塞泵A4VSO液壓油的選用和注意事項
- 港隆介紹四柱液壓機的軸向柱塞泵如何合理使用
- 力士樂液壓泵A4VG28/32系列控制原件如何拆裝?
- 港隆公司介紹YBX變量葉片泵技術參數
- 液壓系統發生故障的主要原因
- 液壓油泵噪音過大的原因
- 液壓泵故障與維修方法?
- 港隆教您如何處理液壓缸活塞損壞的問題
- (威格士液壓泵官網)高溫齒輪油泵的選購方法與日常維護
- 港隆講解液壓馬達轉速慢的原因及解決方法
- 液壓泵的選擇\液壓泵的分類\液壓泵的符號
- 油力頓型A10VSO/A10VO/A2F/A8VO/A4VSO/A4VG,油力頓柱塞泵完美替代力士樂柱塞泵
- 液壓泵維修:A4VG125液壓泵壓力下降
- 港隆公司介紹力士樂A4VG液壓泵結構參數圖
- DENISON丹尼遜單聯泵,雙聯泵,三聯泵T6,T7,T67系列型號大全,性能參數
- 油研葉片泵,YUKEN雙聯葉片泵PV2R23-53-85,PV2R23-53-94
- 威格士液壓泵電液比例控制的優點和應用
- 威格士柱塞泵PVH系列補償器控制方式
- 丹尼遜T6系列的流量規格和優特點
- 德國力士樂PVV和PVQ葉片泵的符號和特點
- 德國力士樂A4VG28/32系列維修常規說明
- 力士樂液壓泵A4VG 28/32系列的拆卸過程
- 力士樂銘牌上的字代表什么意思?
- 油研PV2R系列葉片泵的排量、壓力、輸入功率
- 原裝日本油研液壓泵與國產YUKEN液壓泵有什么區別
- T6,T7系列液壓泵的具體型號,丹尼遜T6,T7系列葉片泵有哪些應用
- 徑向變量柱塞/軸向柱塞泵/斜軸式柱塞泵的特性
- 力士樂柱塞泵A4CSG系列特點
- 力士樂液壓泵A4VSO系列使用安全說明
- 液壓泵的效率、功率、轉矩怎么計算?
- 伊頓威格士20V, 25V, 35V, 45V系列葉片泵產品特點及選型
- 油力頓型VP,PFE系列葉片泵,油力頓葉片泵產品
- VICKERS威格士柱塞泵PVH液壓油的清潔度和溫度范圍
- 威格士柱塞泵PVB系列的安裝數據、起動和訂貨程序
- 威格士柱塞泵PVM系列的特征和優點與用途
- VICKERS威格士液壓泵PVQ系列的油液清潔度
- VICKERS威格士單作用葉片泵的平均流量計算
- VICKERS威格士柱塞泵PVM系列型號大全
- 伊頓威格士PVXS系列柱塞泵型號大全,VICKERS液壓泵特征及應用
- 大量供應Rexroth力士樂內嚙合齒輪泵PGH系列
- VICKERS威格士電磁閥DG4V系列的特點和型號大全
- 力士樂柱塞泵A10VSO45DFR/31R-PPA12NOO型號詳解
- VICKERS威格士柱塞泵PVQ系列壓力補償器控制
- YUKEN油研變量泵的操作及保養注意事項
- 液壓泵技術教大家快速修復液壓系統中的齒輪泵
- 介紹威格士斜軸式軸向柱塞泵原理
- Rexroth力士樂柱塞泵A10VSO系列的DR—壓力控制
- 威格士柱塞泵PVH系列C**T壓力和扭矩限制器的控制方式
- 齒輪油泵因長時間使用會出現-些問題,該怎么處理呢?
- 怎么樣解決威格士葉片泵嚴重大噪音的問題?
- 力士樂柱塞泵A4VG125DA2D2/32L-NZF02F071SH詳細介紹
- 威格士葉片泵的常見故障及排除方法
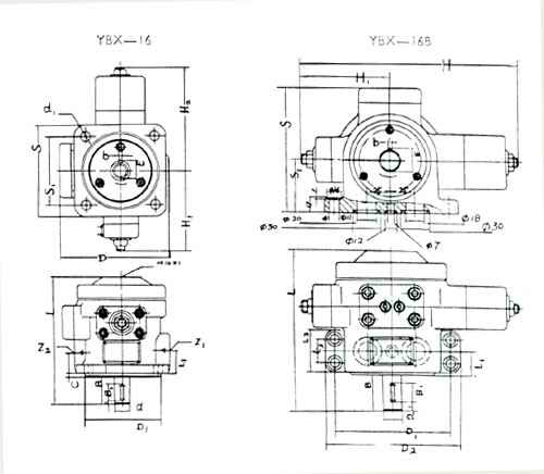
首頁港隆公司介紹YBX變量葉片泵技術參數
YBX-16 YBX-25 YBX-16B YBX-25B 系列變量葉片泵

一、YBX變量葉片泵技術參數,特點及用途:
YBX變量葉片泵系單作用、限壓式、外反饋葉片泵,能隨液壓系統中壓力的改變。自動改變定子對轉子的偏心量,從而改變流量的大小。
變量泵功率損耗極大降低電能消耗,同時,油的濕升較低,并能簡化液壓系統變量泵。
該泵可廣泛使用于各種高壓小流量、或低壓大流量的液壓系統中,如組合機床動力頭、流水線、塑料注射機、液壓滑臺等。
變量泵將會有越愈廣寬的市場。
二、YBX變量葉片泵技術參數
型號規格 | 排量 | 額定壓力 | 調壓范圍 | 公稱轉速 | 轉速范圍 | 驅動功率 | 重量 | 旋轉方向 |
ml/r | MPa | MPa | r/min | r/min | kw | kg | ||
YBX-16 | 1~16 | 6.3 | 2.0~6.3 | 1450 | 600~1450 | 3.5 | 10.5 | 順時針 |
YBX-25 | 1~25 | 5.5 |
三、YBX變量葉片泵技術參數,油泵特性曲線:
YBX-16 YBX-25YBX-16B YBX-25B

YBX-16
YBX-16B
![【港隆液壓】液壓元件[液壓油泵,電磁閥] 一站式服務平臺](upload/20210127173032768281.png)

