品牌展示
- YUKEN油研液壓
- REXROTH液壓泵
- VICKERS液壓油泵
- DAIKIN液壓油泵
- PARKER液壓油泵
- NACHI液壓油泵
- DENISON液壓油泵
- Marzocchi齒輪泵
- Sumitomo齒輪泵
- Danfoss液壓泵
- Berarma葉片泵
- YEOSHE液壓泵
- 東京計器液壓泵
- SALAMI齒輪油泵
- VIVOIL齒輪油泵
- CASAPPA齒輪泵
- Caproni齒輪油泵
- Bucher齒輪泵
- HESPER齒輪泵
- HYDAC齒輪泵
- Roquet齒輪泵
- Bondioli齒輪泵
- Jihostroj齒輪泵
- Duplomatic迪普馬
- METARIS齒輪泵
- ATOS齒輪油泵
- KRACHT齒輪泵
- Brevini齒輪油泵
- RONZIO齒輪泵
- 沃爾沃齒輪泵
- Commercial液壓泵
- LINDE液壓油泵
- HAWE液壓油泵
- Kawasaki液壓泵
- 赫格隆液壓馬達
- 力士樂減速機
- 其他品牌
- 維修服務
最新動態

手機:13686884195
電話:0755-29874345
QQ:2737435508
2737435508@qq.com
首頁Marzocchi齒輪泵產品詳情

ALM2BK2-R-* 系列齒輪馬達
品牌類型:
發布時間:
Marzocchi齒輪泵
2024-12-25 15:58:56
溫馨提示:由于產品型號太多,網站只能列出部分產品信息。如您在網站中未能找到您需要的型號,請咨詢我們的在線客服!
咨詢熱線:0755-29874345、0755-29874345
詳情介紹
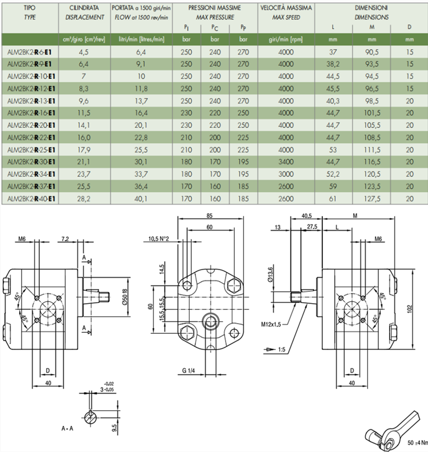
馬祖奇ALM2BK2-R-* 系列齒輪馬達參數及尺寸:

馬祖奇齒輪馬達ALM2BK2-R-* 系列相關型號:
一、產品概述
ALM2BK2齒輪馬達是意大利馬祖奇(Marzocchi)公司的一款經典產品,廣泛應用于各種需要高效、穩定動力輸出的工業領域。該馬達結合了先進的設計理念和高質量的制造工藝,以確保在各種工況下都能提供卓越的性能。
二、產品特點
高效能:ALM2BK2齒輪馬達采用高性能材料和優化的齒輪設計,能夠在高壓力和高溫環境下高效地傳輸流體,提供穩定的動力輸出。
可靠性:堅固和耐用的設計使得該馬達能夠承受嚴苛的工作環境,減少維修和更換的頻率,降低運營成本。
維護簡便:模塊化設計使得快速更換磨損部件成為可能,減少了停機時間,提高了設備的利用率。
多種配置:提供多種排量、壓力、電壓和驅動方式等配置選項,以滿足不同應用需求。
緊湊設計:節省安裝空間,同時運行時產生的噪音低,改善了工作環境。
三、應用領域
ALM2BK2齒輪馬達廣泛應用于各種需要高壓力、高溫傳輸流體的應用場景,包括但不限于:
工程機械:如挖掘機、裝載機、起重機等,這些設備需要穩定且高效的動力輸出以應對復雜的工況。
農業機械:如拖拉機、收割機、播種機等,這些設備在作業過程中需要承受較大的負荷和振動,ALM2BK2齒輪馬達能夠提供可靠的動力支持。
工業設備:如注塑機、壓力機、機床等,這些設備需要高精度的控制和穩定的動力輸出以保證生產效率和產品質量。
四、維護與保養
為確保ALM2BK2齒輪馬達的長期穩定運行,用戶應定期進行維護和保養,包括:
檢查油液:定期檢查油液的清潔度和粘度,確保油液符合規定要求。
更換濾芯:定期更換油液濾芯,防止雜質進入液壓系統。
清洗油箱:定期清洗油箱和管路,去除沉積物和污垢。
檢查密封件:定期檢查密封件的狀態,如有磨損或老化應及時更換。
五、注意事項
安裝:在安裝ALM2BK2齒輪馬達時,應確保安裝位置正確、固定牢靠,并避免受到過大的沖擊和振動。
操作:在操作過程中,應遵守操作規程和安全規范,避免超載和長時間連續工作。
維修:在維修過程中,應由專業人員進行操作,避免損壞馬達內部結構或影響其性能。
綜上所述,意大利馬祖奇ALM2BK2齒輪馬達以其高性能、可靠性和耐用性而備受青睞。在選擇和使用時,用戶應根據實際需求選擇合適的型號和規格,并遵循操作規程和安全規范進行操作和維護。

ALM2BK2-R-6-E1 、ALM2BK2-R-9-E1 、ALM2BK2-R-10-E1、ALM2BK2-R-12-E1、ALM2BK2-R-13-E1
ALM2BK2-R-20-E1、ALM2BK2-R-22-E1、ALM2BK2-R-25-E1、ALM2BK2-R-30-E1、ALM2BK2-R-34-E1
ALM2BK2-R-37-E1、ALM2BK2-R-40-E1、ALM2BK2-R-16-E1
一、產品概述
ALM2BK2齒輪馬達是意大利馬祖奇(Marzocchi)公司的一款經典產品,廣泛應用于各種需要高效、穩定動力輸出的工業領域。該馬達結合了先進的設計理念和高質量的制造工藝,以確保在各種工況下都能提供卓越的性能。
二、產品特點
高效能:ALM2BK2齒輪馬達采用高性能材料和優化的齒輪設計,能夠在高壓力和高溫環境下高效地傳輸流體,提供穩定的動力輸出。
可靠性:堅固和耐用的設計使得該馬達能夠承受嚴苛的工作環境,減少維修和更換的頻率,降低運營成本。
維護簡便:模塊化設計使得快速更換磨損部件成為可能,減少了停機時間,提高了設備的利用率。
多種配置:提供多種排量、壓力、電壓和驅動方式等配置選項,以滿足不同應用需求。
緊湊設計:節省安裝空間,同時運行時產生的噪音低,改善了工作環境。
三、應用領域
ALM2BK2齒輪馬達廣泛應用于各種需要高壓力、高溫傳輸流體的應用場景,包括但不限于:
工程機械:如挖掘機、裝載機、起重機等,這些設備需要穩定且高效的動力輸出以應對復雜的工況。
農業機械:如拖拉機、收割機、播種機等,這些設備在作業過程中需要承受較大的負荷和振動,ALM2BK2齒輪馬達能夠提供可靠的動力支持。
工業設備:如注塑機、壓力機、機床等,這些設備需要高精度的控制和穩定的動力輸出以保證生產效率和產品質量。
四、維護與保養
為確保ALM2BK2齒輪馬達的長期穩定運行,用戶應定期進行維護和保養,包括:
檢查油液:定期檢查油液的清潔度和粘度,確保油液符合規定要求。
更換濾芯:定期更換油液濾芯,防止雜質進入液壓系統。
清洗油箱:定期清洗油箱和管路,去除沉積物和污垢。
檢查密封件:定期檢查密封件的狀態,如有磨損或老化應及時更換。
五、注意事項
安裝:在安裝ALM2BK2齒輪馬達時,應確保安裝位置正確、固定牢靠,并避免受到過大的沖擊和振動。
操作:在操作過程中,應遵守操作規程和安全規范,避免超載和長時間連續工作。
維修:在維修過程中,應由專業人員進行操作,避免損壞馬達內部結構或影響其性能。
綜上所述,意大利馬祖奇ALM2BK2齒輪馬達以其高性能、可靠性和耐用性而備受青睞。在選擇和使用時,用戶應根據實際需求選擇合適的型號和規格,并遵循操作規程和安全規范進行操作和維護。
![【港隆液壓】液壓元件[液壓油泵,電磁閥] 一站式服務平臺](upload/20210127173032768281.png)





