品牌展示
- YUKEN油研液壓
- REXROTH液壓泵
- VICKERS液壓油泵
- DAIKIN液壓油泵
- PARKER液壓油泵
- NACHI液壓油泵
- DENISON液壓油泵
- Marzocchi齒輪泵
- Sumitomo齒輪泵
- Danfoss液壓泵
- Berarma葉片泵
- YEOSHE液壓泵
- 東京計器液壓泵
- SALAMI齒輪油泵
- VIVOIL齒輪油泵
- CASAPPA齒輪泵
- Caproni齒輪油泵
- Bucher齒輪泵
- HESPER齒輪泵
- HYDAC齒輪泵
- Roquet齒輪泵
- Bondioli齒輪泵
- Jihostroj齒輪泵
- Duplomatic迪普馬
- METARIS齒輪泵
- ATOS齒輪油泵
- KRACHT齒輪泵
- Brevini齒輪油泵
- RONZIO齒輪泵
- 沃爾沃齒輪泵
- Commercial液壓泵
- LINDE液壓油泵
- HAWE液壓油泵
- Kawasaki液壓泵
- 赫格隆液壓馬達
- 力士樂減速機
- 其他品牌
- 維修服務
最新動態

手機:13686884195
電話:0755-29874345
QQ:2737435508
2737435508@qq.com

KRACHT齒輪泵 KF4...80
品牌類型:
發布時間:
KRACHT齒輪泵
2025-04-11 15:57:15
溫馨提示:由于產品型號太多,網站只能列出部分產品信息。如您在網站中未能找到您需要的型號,請咨詢我們的在線客服!
咨詢熱線:0755-29874345、0755-29874345
詳情介紹
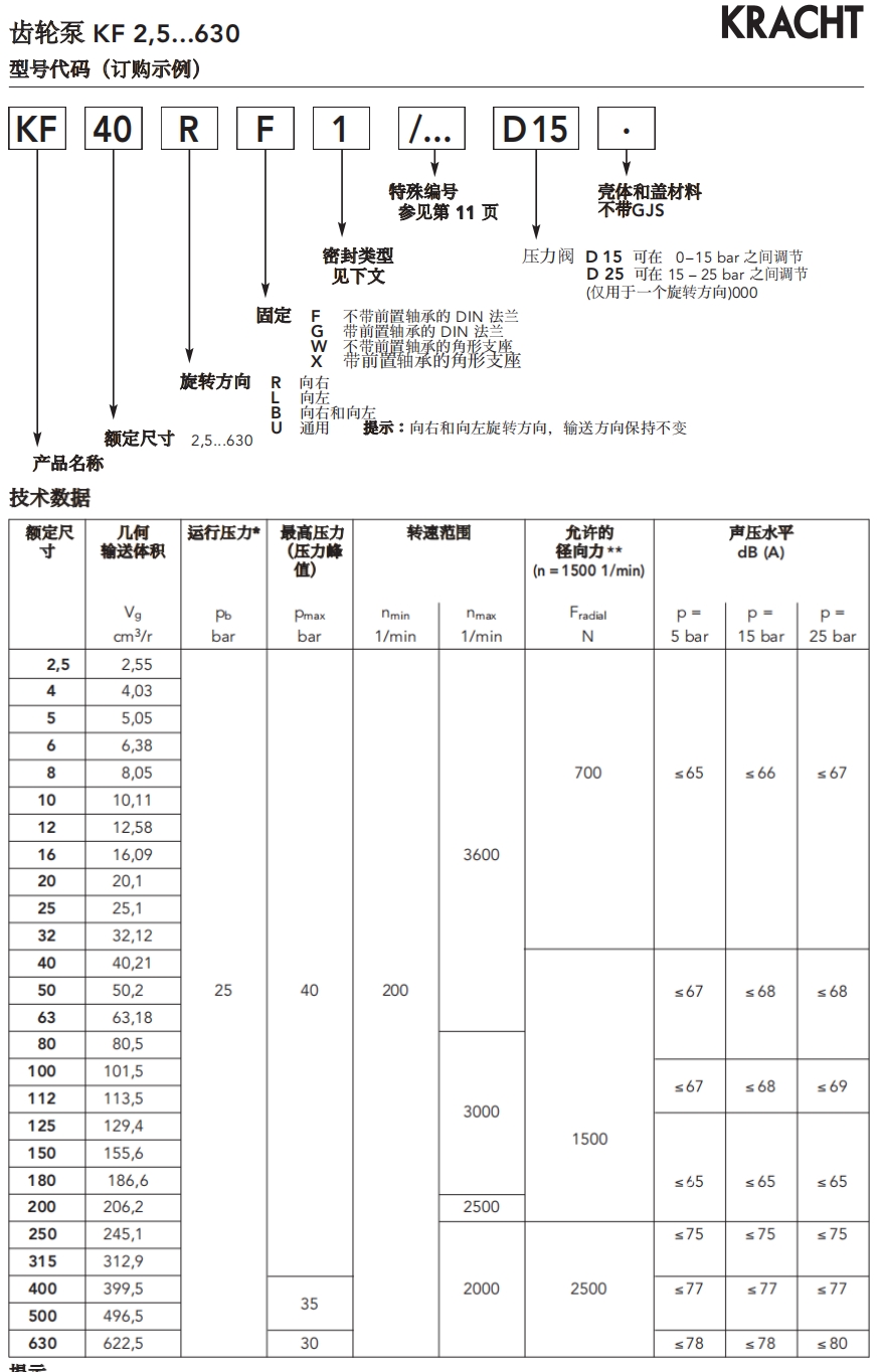
KRACHT齒輪泵型號及參數:


KRACHT齒輪泵KF4...80系列詳解
KRACHT KF4...80系列齒輪泵是專為中小排量、中低壓液壓系統設計的經典產品,型號范圍覆蓋4 cc/rev至80 cc/rev排量,壓力等級最高可達250 bar(部分型號可定制至350 bar)。該系列以其緊湊結構、高效能和廣泛適用性,廣泛應用于工程機械、農業機械、工業設備及輕型移動系統。
一、核心參數與型號說明
參數 范圍 說明
排量 4–80 cc/rev 型號命名規則:KF + 排量(如KF4表示排量4 cc/rev)
最高壓力 250 bar(標準) / 350 bar(高壓定制) 適配不同壓力需求的液壓系統
轉速范圍 500–3000 rpm 高轉速設計滿足移動設備需求
介質兼容性 礦物油、合成液壓油 粘度范圍10–400 mm2/s(建議ISO VG 32–68)
工作溫度 -20°C至+100°C(標準) 特殊涂層版本可耐受120°C高溫
安裝方式 法蘭安裝(SAE/DIN)、腳座安裝 兼容主流液壓系統接口
二、技術亮點與優勢
高效節能設計
漸開線齒輪齒形:優化嚙合間隙,容積效率≥92%,降低內泄漏。
浮動側板技術:自動補償軸向力,減少摩擦損耗,提升機械效率。
輕量化設計:相比傳統齒輪泵,重量減輕10%-15%,適合移動設備。
耐久性與可靠性
高強度材料:齒輪與軸承采用合金鋼(如42CrMo4),經表面硬化處理,硬度HRC 58-62。
密封系統:雙唇口機械密封,耐壓250 bar,壽命延長30%。
抗污染設計:寬間隙齒輪設計,容忍油液中微小顆粒(≤25μm),減少磨損。
模塊化與靈活性
接口兼容性:提供SAE、DIN標準法蘭及多種軸端形式(花鍵、平鍵)。
功能擴展:可選配內置安全閥、壓力傳感器或溫度監測功能,集成度高。
安裝方式:支持法蘭安裝、腳座安裝及嵌入式安裝,適應不同空間需求。
三、應用場景
工程機械
小型挖掘機、滑移裝載機的液壓動力單元。
輕型起重機的液壓傳動系統。
農業機械
拖拉機液壓懸掛系統、噴霧機液壓控制。
適應泥漿、粉塵等惡劣環境。
工業設備
注塑機頂出系統、壓鑄機潤滑泵。
高精度齒輪泵滿足閉環控制需求。
輕型移動系統
電動叉車、高空作業平臺的液壓升降系統。
緊湊設計節省安裝空間。
四、選型建議
流量計算
根據執行器需求(如液壓缸速度、馬達轉速)計算理論流量,乘以1.2–1.5倍安全系數。
公式:Q = V × S / 1000(Q為流量,V為執行器容積,S為速度)。
壓力匹配
選擇額定壓力高于系統最大工作壓力的泵型,預留20%余量。
示例:系統壓力180 bar,建議選擇KF4...80系列中250 bar型號。
介質兼容性
確認液壓油類型(礦物油、水乙二醇等),選擇匹配的密封材料(如NBR、FKM)。
溫度過高時,建議選擇特殊涂層版本。
五、維護與注意事項
定期檢查:每500小時檢查油液清潔度(NAS 1638標準≤9級)。
更換周期:齒輪泵建議每2000–3000小時更換液壓油,并檢查軸端密封。
故障排除:
異常噪音:可能由齒輪磨損或軸承損壞引起,需及時停機檢修。
壓力不足:檢查安全閥設定值或泵內部泄漏。
六、對比分析(KF4...80 vs. KF2.5...630)
特性 KF4...80系列 KF2.5...630系列
排量范圍 4–80 cc/rev 2.5–630 cc/rev
最高壓力 250 bar(標準) 400 bar(標準)
適用場景 中小排量、中低壓系統 大排量、高壓系統
優勢 緊湊、高效、低成本 高功率密度、高可靠性
總結:KRACHT KF4...80系列齒輪泵以高效、可靠和靈活的設計,成為中小排量液壓系統的理想選擇。通過合理選型與維護,可顯著提升設備性能與壽命。如需具體選型支持,建議聯系KRACHT官方技術團隊獲取定制化方案。
KRACHT KF4...80系列齒輪泵是專為中小排量、中低壓液壓系統設計的經典產品,型號范圍覆蓋4 cc/rev至80 cc/rev排量,壓力等級最高可達250 bar(部分型號可定制至350 bar)。該系列以其緊湊結構、高效能和廣泛適用性,廣泛應用于工程機械、農業機械、工業設備及輕型移動系統。
一、核心參數與型號說明
參數 范圍 說明
排量 4–80 cc/rev 型號命名規則:KF + 排量(如KF4表示排量4 cc/rev)
最高壓力 250 bar(標準) / 350 bar(高壓定制) 適配不同壓力需求的液壓系統
轉速范圍 500–3000 rpm 高轉速設計滿足移動設備需求
介質兼容性 礦物油、合成液壓油 粘度范圍10–400 mm2/s(建議ISO VG 32–68)
工作溫度 -20°C至+100°C(標準) 特殊涂層版本可耐受120°C高溫
安裝方式 法蘭安裝(SAE/DIN)、腳座安裝 兼容主流液壓系統接口
二、技術亮點與優勢
高效節能設計
漸開線齒輪齒形:優化嚙合間隙,容積效率≥92%,降低內泄漏。
浮動側板技術:自動補償軸向力,減少摩擦損耗,提升機械效率。
輕量化設計:相比傳統齒輪泵,重量減輕10%-15%,適合移動設備。
耐久性與可靠性
高強度材料:齒輪與軸承采用合金鋼(如42CrMo4),經表面硬化處理,硬度HRC 58-62。
密封系統:雙唇口機械密封,耐壓250 bar,壽命延長30%。
抗污染設計:寬間隙齒輪設計,容忍油液中微小顆粒(≤25μm),減少磨損。
模塊化與靈活性
接口兼容性:提供SAE、DIN標準法蘭及多種軸端形式(花鍵、平鍵)。
功能擴展:可選配內置安全閥、壓力傳感器或溫度監測功能,集成度高。
安裝方式:支持法蘭安裝、腳座安裝及嵌入式安裝,適應不同空間需求。
三、應用場景
工程機械
小型挖掘機、滑移裝載機的液壓動力單元。
輕型起重機的液壓傳動系統。
農業機械
拖拉機液壓懸掛系統、噴霧機液壓控制。
適應泥漿、粉塵等惡劣環境。
工業設備
注塑機頂出系統、壓鑄機潤滑泵。
高精度齒輪泵滿足閉環控制需求。
輕型移動系統
電動叉車、高空作業平臺的液壓升降系統。
緊湊設計節省安裝空間。
四、選型建議
流量計算
根據執行器需求(如液壓缸速度、馬達轉速)計算理論流量,乘以1.2–1.5倍安全系數。
公式:Q = V × S / 1000(Q為流量,V為執行器容積,S為速度)。
壓力匹配
選擇額定壓力高于系統最大工作壓力的泵型,預留20%余量。
示例:系統壓力180 bar,建議選擇KF4...80系列中250 bar型號。
介質兼容性
確認液壓油類型(礦物油、水乙二醇等),選擇匹配的密封材料(如NBR、FKM)。
溫度過高時,建議選擇特殊涂層版本。
五、維護與注意事項
定期檢查:每500小時檢查油液清潔度(NAS 1638標準≤9級)。
更換周期:齒輪泵建議每2000–3000小時更換液壓油,并檢查軸端密封。
故障排除:
異常噪音:可能由齒輪磨損或軸承損壞引起,需及時停機檢修。
壓力不足:檢查安全閥設定值或泵內部泄漏。
六、對比分析(KF4...80 vs. KF2.5...630)
特性 KF4...80系列 KF2.5...630系列
排量范圍 4–80 cc/rev 2.5–630 cc/rev
最高壓力 250 bar(標準) 400 bar(標準)
適用場景 中小排量、中低壓系統 大排量、高壓系統
優勢 緊湊、高效、低成本 高功率密度、高可靠性
總結:KRACHT KF4...80系列齒輪泵以高效、可靠和靈活的設計,成為中小排量液壓系統的理想選擇。通過合理選型與維護,可顯著提升設備性能與壽命。如需具體選型支持,建議聯系KRACHT官方技術團隊獲取定制化方案。
![【港隆液壓】液壓元件[液壓油泵,電磁閥] 一站式服務平臺](upload/20210127173032768281.png)





