品牌展示
- YUKEN油研液壓
- REXROTH液壓泵
- VICKERS液壓油泵
- DAIKIN液壓油泵
- PARKER液壓油泵
- NACHI液壓油泵
- DENISON液壓油泵
- Marzocchi齒輪泵
- Sumitomo齒輪泵
- Danfoss液壓泵
- Berarma葉片泵
- YEOSHE液壓泵
- 東京計器液壓泵
- SALAMI齒輪油泵
- VIVOIL齒輪油泵
- CASAPPA齒輪泵
- Caproni齒輪油泵
- Bucher齒輪泵
- HESPER齒輪泵
- HYDAC齒輪泵
- Roquet齒輪泵
- Bondioli齒輪泵
- Jihostroj齒輪泵
- Duplomatic迪普馬
- METARIS齒輪泵
- ATOS齒輪油泵
- KRACHT齒輪泵
- Brevini齒輪油泵
- RONZIO齒輪泵
- 沃爾沃齒輪泵
- Commercial液壓泵
- LINDE液壓油泵
- HAWE液壓油泵
- Kawasaki液壓泵
- 赫格隆液壓馬達
- 力士樂減速機
- 其他品牌
- 維修服務
最新動態

手機:13686884195
電話:0755-29874345
QQ:2737435508
2737435508@qq.com
首頁Danfoss液壓泵產品詳情

T90變量柱塞泵75/100 cc/rev
品牌類型:
發布時間:
Danfoss液壓泵
2025-01-03 16:24:40
溫馨提示:由于產品型號太多,網站只能列出部分產品信息。如您在網站中未能找到您需要的型號,請咨詢我們的在線客服!
咨詢熱線:0755-29874345、0755-29874345
詳情介紹
丹佛斯T90變量柱塞泵75/100 cc/rev特 點:
·高質量和可靠性的設計
–被驗證的最優9柱塞旋轉組件
–專用變量斜盤設計
–在成熟90系列技術的基礎上加以改進,使之更加適用于 混凝土攪拌車的應用
–高效的集成補油泵
–可選擇排量為75/100 cc/rev
·更為小的外形尺寸,并且便于安裝
–外形尺寸更加小,給安裝帶來了較大的自由度
–更高的功率密度
–集成了高壓溢流閥
–系統A,B口全部為公制螺紋
–手動控制
·更高的效率
–更高的效率,系統能量損失更少
–能在發動機低速時給系統提供更高的壓力
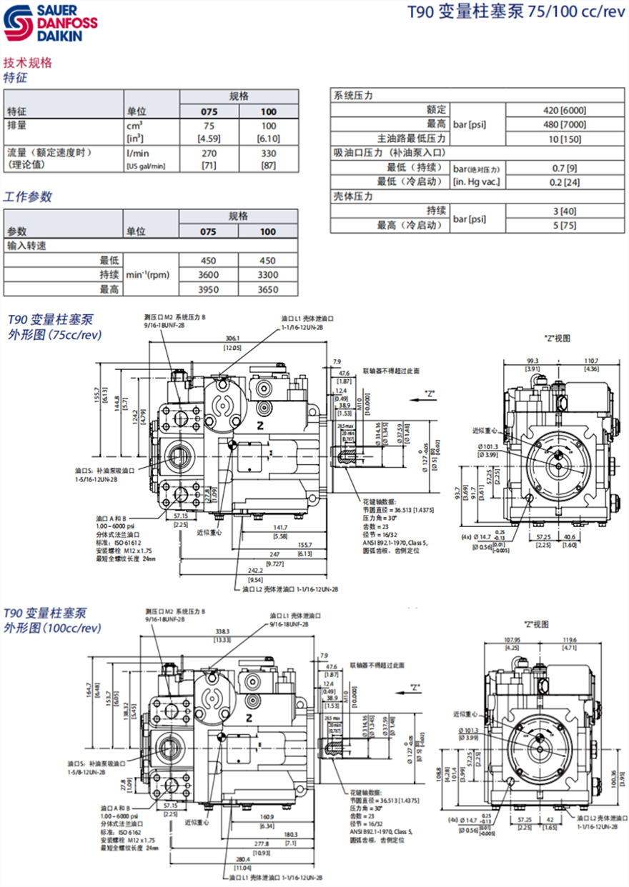
Danfoss丹佛斯T90 變量柱塞泵技術規格及外形圖:
·高質量和可靠性的設計
–被驗證的最優9柱塞旋轉組件
–專用變量斜盤設計
–在成熟90系列技術的基礎上加以改進,使之更加適用于 混凝土攪拌車的應用
–高效的集成補油泵
–可選擇排量為75/100 cc/rev
·更為小的外形尺寸,并且便于安裝
–外形尺寸更加小,給安裝帶來了較大的自由度
–更高的功率密度
–集成了高壓溢流閥
–系統A,B口全部為公制螺紋
–手動控制
·更高的效率
–更高的效率,系統能量損失更少
–能在發動機低速時給系統提供更高的壓力
Danfoss丹佛斯T90 變量柱塞泵技術規格及外形圖:

![【港隆液壓】液壓元件[液壓油泵,電磁閥] 一站式服務平臺](upload/20210127173032768281.png)





