品牌展示
- YUKEN油研液壓
- REXROTH液壓泵
- VICKERS液壓油泵
- DAIKIN液壓油泵
- PARKER液壓油泵
- NACHI液壓油泵
- DENISON液壓油泵
- Marzocchi齒輪泵
- Sumitomo齒輪泵
- Danfoss液壓泵
- Berarma葉片泵
- YEOSHE液壓泵
- 東京計器液壓泵
- SALAMI齒輪油泵
- VIVOIL齒輪油泵
- CASAPPA齒輪泵
- Caproni齒輪油泵
- Bucher齒輪泵
- HESPER齒輪泵
- HYDAC齒輪泵
- Roquet齒輪泵
- Bondioli齒輪泵
- Jihostroj齒輪泵
- Duplomatic迪普馬
- METARIS齒輪泵
- ATOS齒輪油泵
- KRACHT齒輪泵
- Brevini齒輪油泵
- RONZIO齒輪泵
- 沃爾沃齒輪泵
- Commercial液壓泵
- LINDE液壓油泵
- HAWE液壓油泵
- Kawasaki液壓泵
- 赫格隆液壓馬達
- 力士樂減速機
- 其他品牌
- 維修服務
最新動態

手機:13686884195
電話:0755-29874345
QQ:2737435508
2737435508@qq.com

P-CHP1F 高壓泵
品牌類型:
發布時間:
HESPER齒輪泵
2023-01-03 10:05:18
溫馨提示:由于產品型號太多,網站只能列出部分產品信息。如您在網站中未能找到您需要的型號,請咨詢我們的在線客服!
咨詢熱線:0755-29874345、0755-29874345
詳情介紹
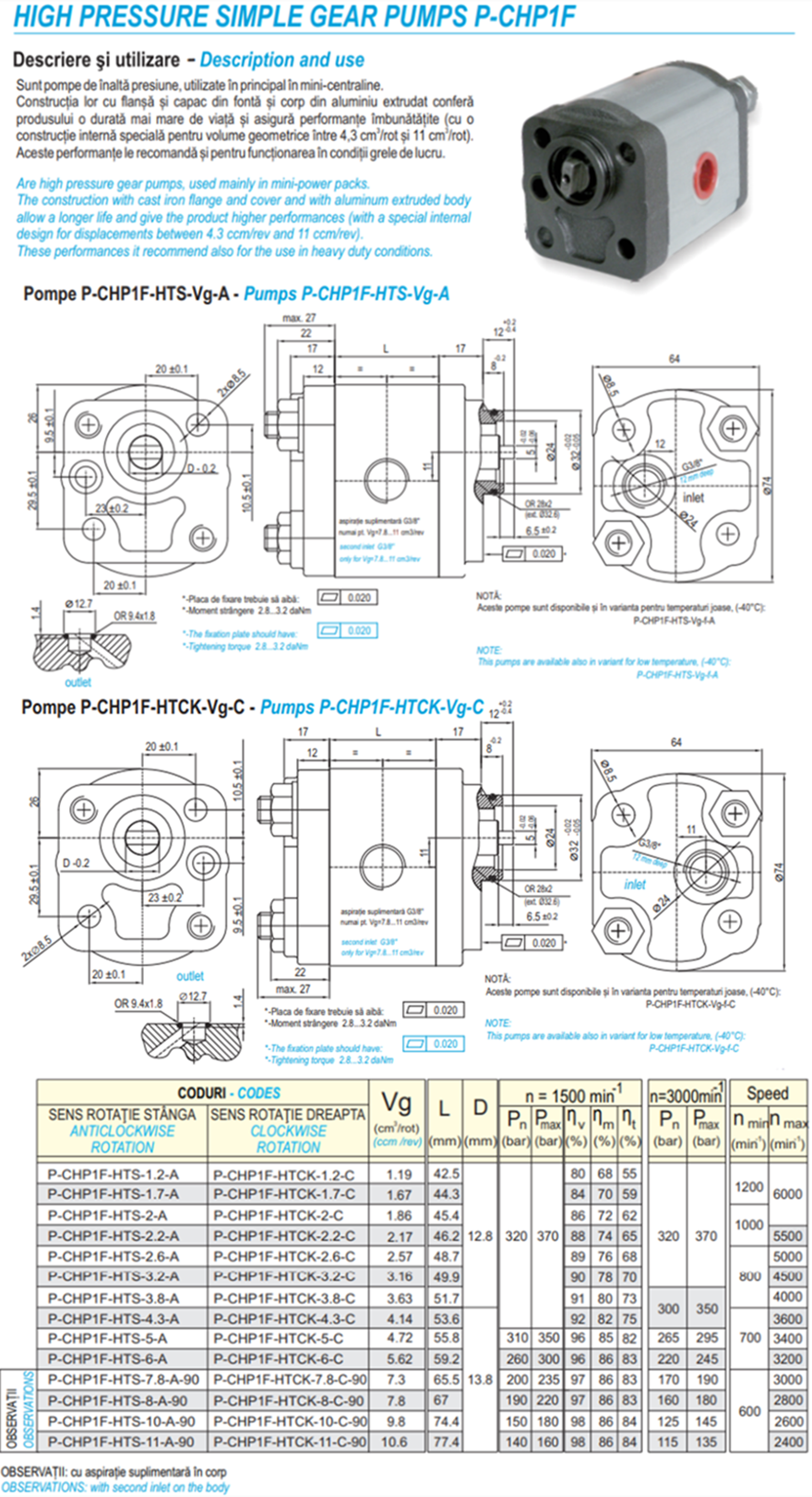
赫思博P-CHP1F 高壓泵
Vg = 1.2 – 11 ccm/rev
Pres nom = 高達 320 bar
Pres max = 高達 370 bar
是高壓齒輪泵,主要用于微型動力裝置。帶有鑄鐵法蘭和蓋子以及鋁擠壓主體的結構可延長使用壽命并賦予產品更高的性能(采用特殊的內部設計,排量介于 4.3 cm 3 /rev 和 11 cm 3 /rev 之間)。它推薦的這些性能也適用于重載條件下的使用。
HESPER赫思博P-CHP1F 高壓泵型號說明:

P-CHP1F-HTS-1.2-A
P-CHP1F-HTS-1.7-A
P-CHP1 F-HTS-2-A
P-CHP1F-HTS-2.2-A
P-CHP1F-HTS-2.6-A
P-CHP1F-HTS-3.2-A
P-CHP1F-HTS-3.8-A
P-CHP1F-HTS-4.3-A
P-CHP1F-HTS-5-A
P-CHP1F-HTS-6-A
P-CHP1 F-HTS-7.8-A-90
P-CHP1F-HTS-8-A-90
P-CHP1F-HTS-10-A-90
P-CHP1 F-HTS-11-A-90
P-CHP1F-HTCK-1.2-C
P-CHP1F-HTCK-1.7-C
P-CHP1F-HTCK-2-C
P-CHP1F-HTCK-2.2-C
P-CHP1F-HTCK-2.6-C
P-CHP1F-HTCK-3.2-C
P-CHP1F-HTCK-3.8-C .
P-CHP1F-HTCK-4.3-C
P-CHP1F-HTCK-5-C
P-CHP1F-HTCK-6-C
P-CHP1 F-HTCK-7.8-C-90
P-CHP1F-HTCK-8-C-90
P-CHP1F-HTCK-10-C-90
P-CHP1F-HTCK-11-C-90
注:
-最高溫度范圍:15…80℃。建議0…+50°C最低泵送溫度:-20°C
-血管密度:12-2000 mm2/s(最大范圍);建議連續行走:25-100 mm/s。
-體積效率保證至少為35 mm/s。
-對于Vg=7..11 cm,需要0吸力身體附加;(G3/8分鐘)避開空腔。
-Pn:公稱壓力
-如果您未在HESPER目錄中列出,請聯系我們。
-禁止給泵軸加載負載在操作期間軸向或徑向。
Vg = 1.2 – 11 ccm/rev
Pres nom = 高達 320 bar
Pres max = 高達 370 bar
是高壓齒輪泵,主要用于微型動力裝置。帶有鑄鐵法蘭和蓋子以及鋁擠壓主體的結構可延長使用壽命并賦予產品更高的性能(采用特殊的內部設計,排量介于 4.3 cm 3 /rev 和 11 cm 3 /rev 之間)。它推薦的這些性能也適用于重載條件下的使用。
HESPER赫思博P-CHP1F 高壓泵型號說明:

P-CHP1F-HTS-1.2-A
P-CHP1F-HTS-1.7-A
P-CHP1 F-HTS-2-A
P-CHP1F-HTS-2.2-A
P-CHP1F-HTS-2.6-A
P-CHP1F-HTS-3.2-A
P-CHP1F-HTS-3.8-A
P-CHP1F-HTS-4.3-A
P-CHP1F-HTS-5-A
P-CHP1F-HTS-6-A
P-CHP1 F-HTS-7.8-A-90
P-CHP1F-HTS-8-A-90
P-CHP1F-HTS-10-A-90
P-CHP1 F-HTS-11-A-90
P-CHP1F-HTCK-1.2-C
P-CHP1F-HTCK-1.7-C
P-CHP1F-HTCK-2-C
P-CHP1F-HTCK-2.2-C
P-CHP1F-HTCK-2.6-C
P-CHP1F-HTCK-3.2-C
P-CHP1F-HTCK-3.8-C .
P-CHP1F-HTCK-4.3-C
P-CHP1F-HTCK-5-C
P-CHP1F-HTCK-6-C
P-CHP1 F-HTCK-7.8-C-90
P-CHP1F-HTCK-8-C-90
P-CHP1F-HTCK-10-C-90
P-CHP1F-HTCK-11-C-90
注:
-最高溫度范圍:15…80℃。建議0…+50°C最低泵送溫度:-20°C
-血管密度:12-2000 mm2/s(最大范圍);建議連續行走:25-100 mm/s。
-體積效率保證至少為35 mm/s。
-對于Vg=7..11 cm,需要0吸力身體附加;(G3/8分鐘)避開空腔。
-Pn:公稱壓力
-如果您未在HESPER目錄中列出,請聯系我們。
-禁止給泵軸加載負載在操作期間軸向或徑向。
![【港隆液壓】液壓元件[液壓油泵,電磁閥] 一站式服務平臺](upload/20210127173032768281.png)





