品牌展示
- YUKEN油研液壓
- REXROTH液壓泵
- VICKERS液壓油泵
- DAIKIN液壓油泵
- PARKER液壓油泵
- NACHI液壓油泵
- DENISON液壓油泵
- Marzocchi齒輪泵
- Sumitomo齒輪泵
- Danfoss液壓泵
- Berarma葉片泵
- YEOSHE液壓泵
- 東京計器液壓泵
- SALAMI齒輪油泵
- VIVOIL齒輪油泵
- CASAPPA齒輪泵
- Caproni齒輪油泵
- Bucher齒輪泵
- HESPER齒輪泵
- HYDAC齒輪泵
- Roquet齒輪泵
- Bondioli齒輪泵
- Jihostroj齒輪泵
- Duplomatic迪普馬
- METARIS齒輪泵
- ATOS齒輪油泵
- KRACHT齒輪泵
- Brevini齒輪油泵
- RONZIO齒輪泵
- 沃爾沃齒輪泵
- Commercial液壓泵
- LINDE液壓油泵
- HAWE液壓油泵
- Kawasaki液壓泵
- 赫格隆液壓馬達
- 力士樂減速機
- 其他品牌
- 維修服務
最新動態

手機:13686884195
電話:0755-29874345
QQ:2737435508
2737435508@qq.com
首頁Marzocchi齒輪泵產品詳情

ALP4A-D-* 系列齒輪泵
品牌類型:
發布時間:
Marzocchi齒輪泵
2024-12-04 16:11:09
溫馨提示:由于產品型號太多,網站只能列出部分產品信息。如您在網站中未能找到您需要的型號,請咨詢我們的在線客服!
咨詢熱線:0755-29874345、0755-29874345
詳情介紹
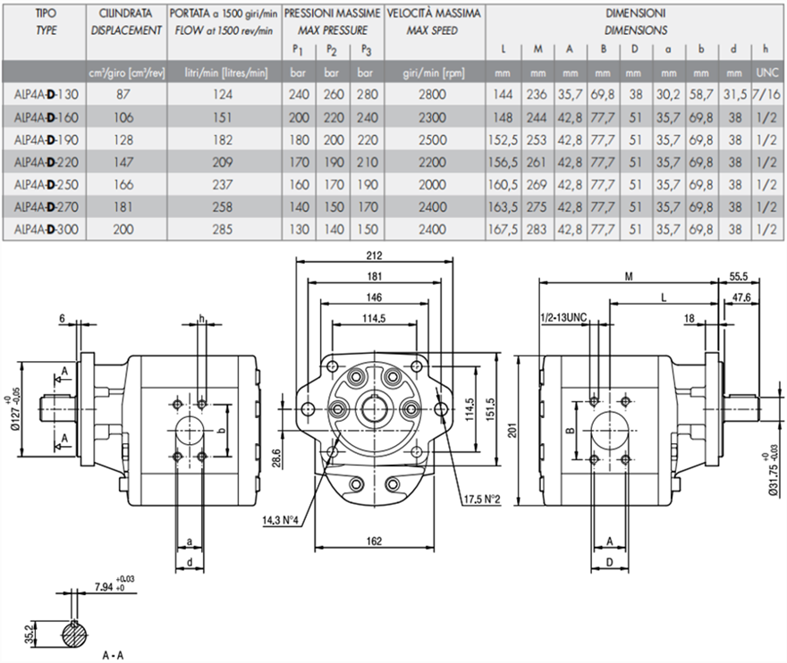
馬祖奇齒輪泵ALP4A-D-*系列相關型號:
ALP4A-D-130 , ALP4A-D-160 , ALP4A-D-190 , ALP4A-D-220 , ALP4A-D-250 , ALP4A-D-270 , ALP4A-D-300
馬祖奇ALP4A-D-*系列齒輪泵參數及尺寸:

ALP4A-D-130 , ALP4A-D-160 , ALP4A-D-190 , ALP4A-D-220 , ALP4A-D-250 , ALP4A-D-270 , ALP4A-D-300
馬祖奇ALP4A-D-*系列齒輪泵參數及尺寸:

Marzocchi馬祖奇ALP4A系列齒輪泵是一種高性能的液壓傳動設備,以下是對其的詳細介紹:
一、產品概述
Marzocchi馬祖奇ALP4A系列齒輪泵采用了先進的設計和制造工藝,具有高效、可靠、低噪音等特點。該系列齒輪泵適用于各種需要高壓力、高溫傳輸流體的應用場景,如試驗機械、液壓裁斷機械、制鞋機械、水泥設備機械等行業。
二、主要特點
高效性能:ALP4A系列齒輪泵采用高性能材料和齒輪設計,能夠在高壓力和高溫環境下高效地傳輸流體。其高效率的設計減少了能源消耗和熱量生成,使得泵在長時間運行中保持穩定的性能。
長壽命:該系列齒輪泵的堅固和耐用的設計能夠承受嚴苛的工作環境。其齒輪和軸承壽命長,減少了維修和更換的頻率,從而降低了運營成本。
維護簡便:ALP4A系列齒輪泵的設計使得維護和檢查變得簡單方便。模塊化設計使得快速更換磨損部件成為可能,減少了停機時間,提高了設備的利用率。
多種配置:該系列齒輪泵有多種配置可供選擇,以滿足不同的應用需求??膳渲玫倪x項包括不同的排量、壓力、電壓和驅動方式等,用戶可以根據實際需求進行選擇。
可靠性:ALP4A系列齒輪泵具有高度的可靠性和穩定性。其堅固的設計和優質的材料使得它在各種工作條件下都能夠穩定地運行,減少了故障和停機時間。
緊湊設計:該系列齒輪泵采用緊湊的設計,使得它在空間有限的環境中也能方便地安裝和使用。同時,緊湊的設計還使得它在運行時產生的噪音低,改善了工作環境。
三、技術參數
Marzocchi馬祖奇ALP4A系列齒輪泵的技術參數因具體型號而異,但通常包括排量、額定壓力、轉速范圍等。以下是一些常見的技術參數:
排量范圍:ALP4系列通常具有較高的排量,具體范圍根據型號不同而有所差異,但一般都在37至200 cc/rev之間。
額定壓力:通常為250 bar(或31 MPa),能夠滿足大多數高壓應用的需求。
轉速范圍:一般在1000至3000 rpm之間,具體取決于應用需求和泵的型號。
四、工作原理
Marzocchi馬祖奇ALP4A系列齒輪泵的工作原理基于兩個主要概念:齒輪的旋轉和體積的變化。齒輪泵中的兩個齒輪在泵缸內相互嚙合,隨著驅動軸的旋轉,齒輪開始轉動。這種旋轉運動允許泵有效地從進油口吸入流體,并將其傳輸至出油口。當齒輪旋轉時,嚙合的齒之間的體積會發生變化。具體來說,隨著齒輪的轉動,齒之間的空間會從小到大,然后再從大到小。這種體積的變化與泵的排量直接相關,因為它決定了在單位時間內可以吸入和排出的流體體積。
五、應用領域
Marzocchi馬祖奇ALP4A系列齒輪泵因其高性能和多種配置選項而被廣泛應用于各種工業領域。具體應用領域包括但不限于:
試驗機械:用于模擬和測試各種機械部件和系統的性能。
液壓裁斷機械:用于切割和裁剪各種材料,如布料、皮革等。
制鞋機械:用于鞋類生產過程中的各種加工和組裝操作。
水泥設備機械:用于水泥生產過程中的混合、攪拌和輸送等操作。
六、維護保養
為確保Marzocchi馬祖奇ALP4A系列齒輪泵的長期穩定運行,應定期進行維護保養。具體措施包括:
清潔:定期清潔泵體和密封件,以去除積聚的污垢和雜質。
檢查與調整:定期檢查齒輪泵的嚙合間隙、軸承磨損情況和密封性能等,以確保泵的正常運轉。如有必要,應進行適當的調整或更換磨損部件。
潤滑保養:根據制造商的建議,定期為齒輪泵添加或更換潤滑油。確保潤滑油的清潔度和粘度符合要求,以提供良好的潤滑效果。
一、產品概述
Marzocchi馬祖奇ALP4A系列齒輪泵采用了先進的設計和制造工藝,具有高效、可靠、低噪音等特點。該系列齒輪泵適用于各種需要高壓力、高溫傳輸流體的應用場景,如試驗機械、液壓裁斷機械、制鞋機械、水泥設備機械等行業。
二、主要特點
高效性能:ALP4A系列齒輪泵采用高性能材料和齒輪設計,能夠在高壓力和高溫環境下高效地傳輸流體。其高效率的設計減少了能源消耗和熱量生成,使得泵在長時間運行中保持穩定的性能。
長壽命:該系列齒輪泵的堅固和耐用的設計能夠承受嚴苛的工作環境。其齒輪和軸承壽命長,減少了維修和更換的頻率,從而降低了運營成本。
維護簡便:ALP4A系列齒輪泵的設計使得維護和檢查變得簡單方便。模塊化設計使得快速更換磨損部件成為可能,減少了停機時間,提高了設備的利用率。
多種配置:該系列齒輪泵有多種配置可供選擇,以滿足不同的應用需求??膳渲玫倪x項包括不同的排量、壓力、電壓和驅動方式等,用戶可以根據實際需求進行選擇。
可靠性:ALP4A系列齒輪泵具有高度的可靠性和穩定性。其堅固的設計和優質的材料使得它在各種工作條件下都能夠穩定地運行,減少了故障和停機時間。
緊湊設計:該系列齒輪泵采用緊湊的設計,使得它在空間有限的環境中也能方便地安裝和使用。同時,緊湊的設計還使得它在運行時產生的噪音低,改善了工作環境。
三、技術參數
Marzocchi馬祖奇ALP4A系列齒輪泵的技術參數因具體型號而異,但通常包括排量、額定壓力、轉速范圍等。以下是一些常見的技術參數:
排量范圍:ALP4系列通常具有較高的排量,具體范圍根據型號不同而有所差異,但一般都在37至200 cc/rev之間。
額定壓力:通常為250 bar(或31 MPa),能夠滿足大多數高壓應用的需求。
轉速范圍:一般在1000至3000 rpm之間,具體取決于應用需求和泵的型號。
四、工作原理
Marzocchi馬祖奇ALP4A系列齒輪泵的工作原理基于兩個主要概念:齒輪的旋轉和體積的變化。齒輪泵中的兩個齒輪在泵缸內相互嚙合,隨著驅動軸的旋轉,齒輪開始轉動。這種旋轉運動允許泵有效地從進油口吸入流體,并將其傳輸至出油口。當齒輪旋轉時,嚙合的齒之間的體積會發生變化。具體來說,隨著齒輪的轉動,齒之間的空間會從小到大,然后再從大到小。這種體積的變化與泵的排量直接相關,因為它決定了在單位時間內可以吸入和排出的流體體積。
五、應用領域
Marzocchi馬祖奇ALP4A系列齒輪泵因其高性能和多種配置選項而被廣泛應用于各種工業領域。具體應用領域包括但不限于:
試驗機械:用于模擬和測試各種機械部件和系統的性能。
液壓裁斷機械:用于切割和裁剪各種材料,如布料、皮革等。
制鞋機械:用于鞋類生產過程中的各種加工和組裝操作。
水泥設備機械:用于水泥生產過程中的混合、攪拌和輸送等操作。
六、維護保養
為確保Marzocchi馬祖奇ALP4A系列齒輪泵的長期穩定運行,應定期進行維護保養。具體措施包括:
清潔:定期清潔泵體和密封件,以去除積聚的污垢和雜質。
檢查與調整:定期檢查齒輪泵的嚙合間隙、軸承磨損情況和密封性能等,以確保泵的正常運轉。如有必要,應進行適當的調整或更換磨損部件。
潤滑保養:根據制造商的建議,定期為齒輪泵添加或更換潤滑油。確保潤滑油的清潔度和粘度符合要求,以提供良好的潤滑效果。
![【港隆液壓】液壓元件[液壓油泵,電磁閥] 一站式服務平臺](upload/20210127173032768281.png)





