品牌展示
- YUKEN油研液壓
- REXROTH液壓泵
- VICKERS液壓油泵
- DAIKIN液壓油泵
- PARKER液壓油泵
- NACHI液壓油泵
- DENISON液壓油泵
- Marzocchi齒輪泵
- Sumitomo齒輪泵
- Danfoss液壓泵
- Berarma葉片泵
- YEOSHE液壓泵
- 東京計器液壓泵
- SALAMI齒輪油泵
- VIVOIL齒輪油泵
- CASAPPA齒輪泵
- Caproni齒輪油泵
- Bucher齒輪泵
- HESPER齒輪泵
- HYDAC齒輪泵
- Roquet齒輪泵
- Bondioli齒輪泵
- Jihostroj齒輪泵
- Duplomatic迪普馬
- METARIS齒輪泵
- ATOS齒輪油泵
- KRACHT齒輪泵
- Brevini齒輪油泵
- RONZIO齒輪泵
- 沃爾沃齒輪泵
- Commercial液壓泵
- LINDE液壓油泵
- HAWE液壓油泵
- Kawasaki液壓泵
- 赫格隆液壓馬達
- 力士樂減速機
- 其他品牌
- 維修服務
最新動態

手機:13686884195
電話:0755-29874345
QQ:2737435508
2737435508@qq.com
首頁Marzocchi齒輪泵產品詳情

ALP4-D-* 系列齒輪泵
品牌類型:
發布時間:
Marzocchi齒輪泵
2024-12-04 15:53:48
溫馨提示:由于產品型號太多,網站只能列出部分產品信息。如您在網站中未能找到您需要的型號,請咨詢我們的在線客服!
咨詢熱線:0755-29874345、0755-29874345
詳情介紹
意大利馬祖奇ALP4系列齒輪泵
ALP4系列齒輪泵,可滿足客戶對大排量齒輪泵的需求。泵體、法蘭、端蓋由特殊的抗壓鋁合金壓鑄而成。可各種排量以及其它系列組成雙聯泵和多聯泵。
馬祖奇齒輪泵ALP4-D系列相關型號:
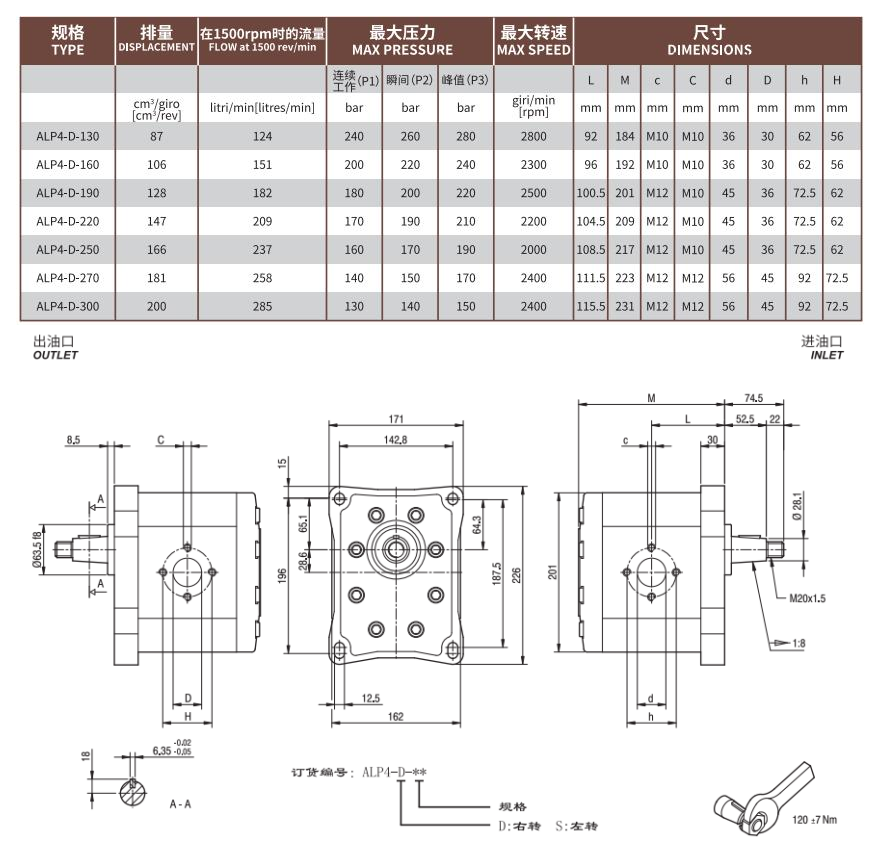
ALP4-D-130,ALP4-D-160,ALP4-D-190,ALP4-D-220,ALP4-D-250,ALP4-D-270,ALP4-D-300

意大利Marzocchi馬祖奇ALP4系列齒輪泵是一種高性能的齒輪泵,以下是對其的詳細介紹:
一、主要特點
高效能:ALP4系列齒輪泵采用高性能材料和齒輪設計,能夠在高壓力和高溫環境下高效地傳輸流體。其高效率的設計減少了能源消耗和熱量生成,使得泵在長時間運行中保持穩定的性能。
長壽命:該系列齒輪泵具有堅固和耐用的設計,能夠承受嚴苛的工作環境。其齒輪和軸承壽命長,減少了維修和更換的頻率,從而降低了運營成本。
維護簡便:ALP4系列齒輪泵的設計使得維護和檢查變得簡單方便。模塊化設計使得快速更換磨損部件成為可能,減少了停機時間,提高了設備的利用率。
多種配置:該系列齒輪泵有多種配置可供選擇,以滿足不同的應用需求。用戶可以根據實際需求選擇不同的排量、壓力、電壓和驅動方式等。
可靠性:ALP4系列齒輪泵具有高度的可靠性和穩定性,能夠在各種工作條件下穩定地運行,減少了故障和停機時間。
緊湊設計:該系列齒輪泵采用緊湊的設計,使得它在空間有限的環境中也能方便地安裝和使用。同時,緊湊的設計還使得它在運行時產生的噪音低,改善了工作環境。
二、工作原理
ALP4系列齒輪泵的工作原理基于兩個主要概念:齒輪的旋轉和體積的變化。齒輪旋轉時,兩個齒輪在泵缸內相互嚙合,隨著驅動軸的旋轉而轉動。這種旋轉運動允許泵有效地從進油口吸入流體,并將其傳輸至出油口。同時,當齒輪旋轉時,嚙合的齒之間的體積會發生變化,從而決定了在單位時間內可以吸入和排出的流體體積。
三、型號與排量
ALP4系列齒輪泵有多種型號,每個型號都有不同的排量范圍和特點。例如,ALP4A-D-220等型號具有更高的排量和壓力,適用于高壓和高速的流體輸送場合。具體的排量范圍如下:
ALP1:1.4~13.8cc/rev
ALP2:4.5~35.2cc/rev
ALP3:20~87cc/rev
ALP4:37~200cc/rev
四、安裝與維護
在安裝ALP4系列齒輪泵時,需要注意以下幾點:
安裝位置任選,但泵體必須灌滿油壓液并在工作時保持充滿。
油泵支架座要牢固、鋼性好,并能充分吸收振動。
泵和電機軸同心度控制在0.100mm以內,盡可能采用柔性聯軸節。
油泵的吸入管道通徑應不小于泵入口通徑,吸油濾油器通流量應不低于油泵流量的兩倍。
泵安裝高于油箱時,吸入口距油液液面高度應小于1米(使用磷酸脂或含水液壓液時應小于0.8米)。
在維護方面,應定期檢查齒輪泵的磨損情況,及時更換磨損部件,并保持泵體的清潔和潤滑。
五、應用領域
ALP4系列齒輪泵適用于各種需要高壓力、高溫傳輸流體的應用場景,如工業和移動領域中的流體輸送和液壓系統。
綜上所述,意大利Marzocchi馬祖奇ALP4系列齒輪泵以其高效能、長壽命、維護簡便、多種配置、高可靠性和緊湊設計等特點,在各種工業應用中發揮著重要作用。
ALP4系列齒輪泵,可滿足客戶對大排量齒輪泵的需求。泵體、法蘭、端蓋由特殊的抗壓鋁合金壓鑄而成。可各種排量以及其它系列組成雙聯泵和多聯泵。
馬祖奇齒輪泵ALP4-D系列相關型號:
ALP4-D-130,ALP4-D-160,ALP4-D-190,ALP4-D-220,ALP4-D-250,ALP4-D-270,ALP4-D-300

意大利Marzocchi馬祖奇ALP4系列齒輪泵是一種高性能的齒輪泵,以下是對其的詳細介紹:
一、主要特點
高效能:ALP4系列齒輪泵采用高性能材料和齒輪設計,能夠在高壓力和高溫環境下高效地傳輸流體。其高效率的設計減少了能源消耗和熱量生成,使得泵在長時間運行中保持穩定的性能。
長壽命:該系列齒輪泵具有堅固和耐用的設計,能夠承受嚴苛的工作環境。其齒輪和軸承壽命長,減少了維修和更換的頻率,從而降低了運營成本。
維護簡便:ALP4系列齒輪泵的設計使得維護和檢查變得簡單方便。模塊化設計使得快速更換磨損部件成為可能,減少了停機時間,提高了設備的利用率。
多種配置:該系列齒輪泵有多種配置可供選擇,以滿足不同的應用需求。用戶可以根據實際需求選擇不同的排量、壓力、電壓和驅動方式等。
可靠性:ALP4系列齒輪泵具有高度的可靠性和穩定性,能夠在各種工作條件下穩定地運行,減少了故障和停機時間。
緊湊設計:該系列齒輪泵采用緊湊的設計,使得它在空間有限的環境中也能方便地安裝和使用。同時,緊湊的設計還使得它在運行時產生的噪音低,改善了工作環境。
二、工作原理
ALP4系列齒輪泵的工作原理基于兩個主要概念:齒輪的旋轉和體積的變化。齒輪旋轉時,兩個齒輪在泵缸內相互嚙合,隨著驅動軸的旋轉而轉動。這種旋轉運動允許泵有效地從進油口吸入流體,并將其傳輸至出油口。同時,當齒輪旋轉時,嚙合的齒之間的體積會發生變化,從而決定了在單位時間內可以吸入和排出的流體體積。
三、型號與排量
ALP4系列齒輪泵有多種型號,每個型號都有不同的排量范圍和特點。例如,ALP4A-D-220等型號具有更高的排量和壓力,適用于高壓和高速的流體輸送場合。具體的排量范圍如下:
ALP1:1.4~13.8cc/rev
ALP2:4.5~35.2cc/rev
ALP3:20~87cc/rev
ALP4:37~200cc/rev
四、安裝與維護
在安裝ALP4系列齒輪泵時,需要注意以下幾點:
安裝位置任選,但泵體必須灌滿油壓液并在工作時保持充滿。
油泵支架座要牢固、鋼性好,并能充分吸收振動。
泵和電機軸同心度控制在0.100mm以內,盡可能采用柔性聯軸節。
油泵的吸入管道通徑應不小于泵入口通徑,吸油濾油器通流量應不低于油泵流量的兩倍。
泵安裝高于油箱時,吸入口距油液液面高度應小于1米(使用磷酸脂或含水液壓液時應小于0.8米)。
在維護方面,應定期檢查齒輪泵的磨損情況,及時更換磨損部件,并保持泵體的清潔和潤滑。
五、應用領域
ALP4系列齒輪泵適用于各種需要高壓力、高溫傳輸流體的應用場景,如工業和移動領域中的流體輸送和液壓系統。
綜上所述,意大利Marzocchi馬祖奇ALP4系列齒輪泵以其高效能、長壽命、維護簡便、多種配置、高可靠性和緊湊設計等特點,在各種工業應用中發揮著重要作用。
![【港隆液壓】液壓元件[液壓油泵,電磁閥] 一站式服務平臺](upload/20210127173032768281.png)





