品牌展示
- YUKEN油研液壓
- REXROTH液壓泵
- VICKERS液壓油泵
- DAIKIN液壓油泵
- PARKER液壓油泵
- NACHI液壓油泵
- DENISON液壓油泵
- Marzocchi齒輪泵
- Sumitomo齒輪泵
- Danfoss液壓泵
- Berarma葉片泵
- YEOSHE液壓泵
- 東京計器液壓泵
- SALAMI齒輪油泵
- VIVOIL齒輪油泵
- CASAPPA齒輪泵
- Caproni齒輪油泵
- Bucher齒輪泵
- HESPER齒輪泵
- HYDAC齒輪泵
- Roquet齒輪泵
- Bondioli齒輪泵
- Jihostroj齒輪泵
- Duplomatic迪普馬
- METARIS齒輪泵
- ATOS齒輪油泵
- KRACHT齒輪泵
- Brevini齒輪油泵
- RONZIO齒輪泵
- 沃爾沃齒輪泵
- Commercial液壓泵
- LINDE液壓油泵
- HAWE液壓油泵
- Kawasaki液壓泵
- 赫格隆液壓馬達
- 減速機
- 其他品牌
- 維修服務
最新動態

手機:13686884195
電話:0755-29874345
QQ:2737435508
2737435508@qq.com
首頁SALAMI齒輪油泵產品詳情

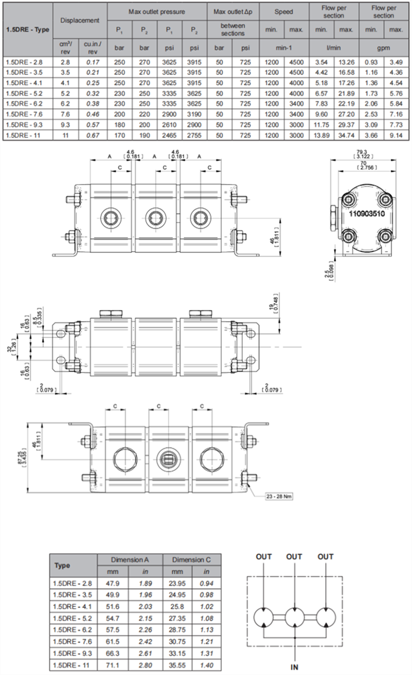
1.5DRE薩拉米salami齒輪分隔器
品牌類型:
發布時間:
SALAMI齒輪油泵
2025-03-09 15:48:48
溫馨提示:由于產品型號太多,網站只能列出部分產品信息。如您在網站中未能找到您需要的型號,請咨詢我們的在線客服!
咨詢熱線:0755-29874345、0755-29874345
詳情介紹
1.5DRE薩拉米salami齒輪分隔器
齒輪分流器由鋁合金閥體和鑄鐵端蓋制成。
通過浮動襯套和軸向補償實現高容積效率。
帶有12個齒的整體齒輪。
港口:歐洲、德國和SAE標準。
側蓋上也有通用進氣口。
最多可組裝6個階段。
2DRE-VA:氣缸同步功能。
1.5DRE薩拉米salami齒輪分隔器參數:
關于1.5DRE薩拉米(SALAMI)齒輪分隔器,以下是根據我獲取到的信息進行的歸納和分析:
一、產品概述
1.5DRE薩拉米齒輪分隔器是一款用于液壓系統中的齒輪分隔元件,主要用于實現油液的精確分配和控制。它采用先進的齒輪傳動技術,確保油液在液壓系統中的穩定流動和高效分配。
二、產品特點
高效分配:
1.5DRE齒輪分隔器通過精密的齒輪設計,實現油液的高效分配。它能夠根據液壓系統的需求,將輸入的油液精確地分配到各個輸出端口。
結構緊湊:
產品設計緊湊,體積小,重量輕,便于安裝和維護。這有助于節省空間,提高設備的整體布局效率。
運行可靠:
選用高品質的材料制造,具有良好的機械性能和耐腐蝕性。經過嚴格的測試和驗證,確保產品在不同工況下都能穩定運行,減少故障發生的可能性。
適應性強:
1.5DRE齒輪分隔器可適應多種液壓系統的需求,無論是工作壓力、流量還是介質類型,都能提供合適的解決方案。
三、產品參數
關于1.5DRE薩拉米齒輪分隔器的具體參數,由于不同廠家和型號的產品可能存在差異,因此無法提供統一的參數值。一般來說,您可以在產品樣本、技術手冊或官方網站上找到針對特定型號和規格的詳細參數信息。
四、產品應用
1.5DRE薩拉米齒輪分隔器廣泛應用于各種液壓系統中,包括但不限于:
工程機械:如挖掘機、裝載機、推土機等,用于實現液壓油的精確分配和控制,提高設備的工作效率和性能。
農業機械:如拖拉機、聯合收割機等,用于滿足不同液壓元件的工作需求,確保農業設備的正常運行。
工業設備:如機床、生產線、注塑機等,用于提高液壓系統的整體性能和效率,保障生產的穩定性和可靠性。
五、注意事項
選型:在選擇1.5DRE薩拉米齒輪分隔器時,應根據實際需求和液壓系統的工作條件進行選型,確保產品的性能和參數滿足要求。
安裝:在安裝過程中,應遵循相關的安裝規范和操作規程,確保產品的正確安裝和牢固固定。
維護:定期對1.5DRE齒輪分隔器進行檢查和維護,及時更換磨損的部件和清洗系統內的雜質,以延長產品的使用壽命和保持系統的穩定性。
六、總結
1.5DRE薩拉米齒輪分隔器是一款性能優越、結構緊湊、運行可靠的液壓元件。它廣泛應用于各種液壓系統中,為工業自動化和機械化提供了有力的支持。在選擇和使用時,建議根據具體的工作需求和應用場景進行選型,并遵循相關的操作和維護規程。
齒輪分流器由鋁合金閥體和鑄鐵端蓋制成。
通過浮動襯套和軸向補償實現高容積效率。
帶有12個齒的整體齒輪。
港口:歐洲、德國和SAE標準。
側蓋上也有通用進氣口。
最多可組裝6個階段。
2DRE-VA:氣缸同步功能。
1.5DRE薩拉米salami齒輪分隔器參數:

一、產品概述
1.5DRE薩拉米齒輪分隔器是一款用于液壓系統中的齒輪分隔元件,主要用于實現油液的精確分配和控制。它采用先進的齒輪傳動技術,確保油液在液壓系統中的穩定流動和高效分配。
二、產品特點
高效分配:
1.5DRE齒輪分隔器通過精密的齒輪設計,實現油液的高效分配。它能夠根據液壓系統的需求,將輸入的油液精確地分配到各個輸出端口。
結構緊湊:
產品設計緊湊,體積小,重量輕,便于安裝和維護。這有助于節省空間,提高設備的整體布局效率。
運行可靠:
選用高品質的材料制造,具有良好的機械性能和耐腐蝕性。經過嚴格的測試和驗證,確保產品在不同工況下都能穩定運行,減少故障發生的可能性。
適應性強:
1.5DRE齒輪分隔器可適應多種液壓系統的需求,無論是工作壓力、流量還是介質類型,都能提供合適的解決方案。
三、產品參數
關于1.5DRE薩拉米齒輪分隔器的具體參數,由于不同廠家和型號的產品可能存在差異,因此無法提供統一的參數值。一般來說,您可以在產品樣本、技術手冊或官方網站上找到針對特定型號和規格的詳細參數信息。
四、產品應用
1.5DRE薩拉米齒輪分隔器廣泛應用于各種液壓系統中,包括但不限于:
工程機械:如挖掘機、裝載機、推土機等,用于實現液壓油的精確分配和控制,提高設備的工作效率和性能。
農業機械:如拖拉機、聯合收割機等,用于滿足不同液壓元件的工作需求,確保農業設備的正常運行。
工業設備:如機床、生產線、注塑機等,用于提高液壓系統的整體性能和效率,保障生產的穩定性和可靠性。
五、注意事項
選型:在選擇1.5DRE薩拉米齒輪分隔器時,應根據實際需求和液壓系統的工作條件進行選型,確保產品的性能和參數滿足要求。
安裝:在安裝過程中,應遵循相關的安裝規范和操作規程,確保產品的正確安裝和牢固固定。
維護:定期對1.5DRE齒輪分隔器進行檢查和維護,及時更換磨損的部件和清洗系統內的雜質,以延長產品的使用壽命和保持系統的穩定性。
六、總結
1.5DRE薩拉米齒輪分隔器是一款性能優越、結構緊湊、運行可靠的液壓元件。它廣泛應用于各種液壓系統中,為工業自動化和機械化提供了有力的支持。在選擇和使用時,建議根據具體的工作需求和應用場景進行選型,并遵循相關的操作和維護規程。






