品牌展示
- YUKEN油研液壓
- REXROTH液壓泵
- VICKERS液壓油泵
- DAIKIN液壓油泵
- PARKER液壓油泵
- NACHI液壓油泵
- DENISON液壓油泵
- Marzocchi齒輪泵
- Sumitomo齒輪泵
- Danfoss液壓泵
- Berarma葉片泵
- YEOSHE液壓泵
- 東京計器液壓泵
- SALAMI齒輪油泵
- VIVOIL齒輪油泵
- CASAPPA齒輪泵
- Caproni齒輪油泵
- Bucher齒輪泵
- HESPER齒輪泵
- HYDAC齒輪泵
- Roquet齒輪泵
- Bondioli齒輪泵
- Jihostroj齒輪泵
- Duplomatic迪普馬
- METARIS齒輪泵
- ATOS齒輪油泵
- KRACHT齒輪泵
- Brevini齒輪油泵
- RONZIO齒輪泵
- 沃爾沃齒輪泵
- Commercial液壓泵
- LINDE液壓油泵
- HAWE液壓油泵
- Kawasaki液壓泵
- 赫格隆液壓馬達
- 力士樂減速機
- 其他品牌
- 維修服務
最新動態

手機:13686884195
電話:0755-29874345
QQ:2737435508
2737435508@qq.com
首頁Duplomatic迪普馬產品詳情

PVE -可變排量葉片泵
品牌類型:
發布時間:
Duplomatic迪普馬
2025-04-30 10:59:30
溫馨提示:由于產品型號太多,網站只能列出部分產品信息。如您在網站中未能找到您需要的型號,請咨詢我們的在線客服!
咨詢熱線:0755-29874345、0755-29874345
詳情介紹
意大利Duplomatic(迪普馬)PVE系列葉片泵是一款可變排量葉片泵,通過集成直接壓力調節器實現流量與壓力的智能控制,廣泛應用于工業與移動液壓系統。以下是其核心特點、技術參數、應用領域及選型維護指南的詳細介紹:
產品概述
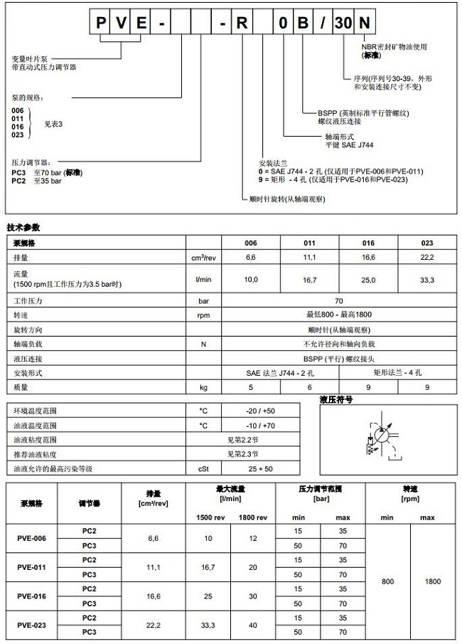
PVE系列屬于可變排量葉片泵,最大排量范圍為6.6至22.2 cm3/rev,配備壓力調節器(最大校準值35 bar和70 bar)。其設計通過軸向補償板與靜壓補償技術優化容積效率,降低磨損,適合需要按需供油以減少能耗的場景。
核心特點
可變排量控制
集成直接壓力調節器,根據系統壓力自動調節排量,實現流量控制。
零流量時僅補償泄漏,保持回路壓力恒定。
高效設計
軸向補償板與靜壓補償技術提升容積效率,減少能量損失。
壓力補償器彈簧確保定子環偏心位置穩定,優化流量調節。
緊湊與低噪音
模塊化設計,安裝尺寸緊湊,噪音等級在61-70 dB(A)之間(滿排量時)。
寬工況適應
轉速范圍800-1800 rpm,工作壓力最大70 bar,油液溫度范圍-10至+70°C。
技術參數
參數 范圍/值
排量 6.6-22.2 cm3/rev
最大流量 33.3 l/min(PVE-023)
工作壓力 70 bar(標準)
轉速 800-1800 rpm
油液溫度 -10至+70°C
推薦粘度 25-50 cSt
噪聲等級 61-70 dB(A)(滿排量)
工業液壓:機床、塑料機械、冶金設備、壓力機等需要流量控制的場景。
移動液壓:工程機械(挖掘機、起重機)、農業機械等需按需供油的設備。
特殊應用:多泵聯動系統、需要節能控制的精密設備。
技術優勢
節能高效:通過排量調節減少能耗,適合負載變化頻繁的系統。
響應迅速:壓力調節器快速響應系統需求,穩定壓力波動。
兼容性強:可與迪普馬其他液壓元件(如閥門、馬達)組成完整系統。
選型建議
根據流量需求選擇排量:
輕載或小流量需求:選擇PVE-006(6.6 cm3/rev)。
中等流量需求:選擇PVE-011(11.1 cm3/rev)或PVE-016(16.6 cm3/rev)。
大流量需求:選擇PVE-023(22.2 cm3/rev)。
確認系統壓力:
確保所選型號的最大工作壓力(70 bar)滿足系統需求。
安裝尺寸與接口:
核對泵的安裝尺寸(如法蘭、軸伸)與接口標準(如BSPP、SAE),確保與現有系統兼容。
維護要點
油液清潔度:定期檢查并更換液壓油及濾芯,避免污染導致泵體磨損。
運行監測:避免長時間超負荷運行,防止過熱或異常噪音。
密封檢查:定期檢查密封件,防止泄漏。
溫度控制:確保油液溫度在推薦范圍內(-10至+70°C)。
與PVD系列對比
特性 PVE系列(可變排量) PVD系列(定量)
排量調節 自動調節,適應流量需求 固定排量,流量恒定
應用場景 負載變化頻繁的節能系統 對流量穩定性要求高的場景
能耗控制 高效節能 成本較低,但能耗固定
聯系方式
如需進一步了解PVE系列的詳細參數、選型指導或本地化服務,可聯系Duplomatic官方授權代理商或訪問其官網獲取技術支持。
總結:Duplomatic迪普馬PVE系列葉片泵以高效、智能、低噪音為核心競爭力,是工業與移動液壓系統中需要流量與壓力控制的理想選擇,尤其適合追求節能與精密控制的場景。
產品概述
PVE系列屬于可變排量葉片泵,最大排量范圍為6.6至22.2 cm3/rev,配備壓力調節器(最大校準值35 bar和70 bar)。其設計通過軸向補償板與靜壓補償技術優化容積效率,降低磨損,適合需要按需供油以減少能耗的場景。
核心特點
可變排量控制
集成直接壓力調節器,根據系統壓力自動調節排量,實現流量控制。
零流量時僅補償泄漏,保持回路壓力恒定。
高效設計
軸向補償板與靜壓補償技術提升容積效率,減少能量損失。
壓力補償器彈簧確保定子環偏心位置穩定,優化流量調節。
緊湊與低噪音
模塊化設計,安裝尺寸緊湊,噪音等級在61-70 dB(A)之間(滿排量時)。
寬工況適應
轉速范圍800-1800 rpm,工作壓力最大70 bar,油液溫度范圍-10至+70°C。
技術參數
參數 范圍/值
排量 6.6-22.2 cm3/rev
最大流量 33.3 l/min(PVE-023)
工作壓力 70 bar(標準)
轉速 800-1800 rpm
油液溫度 -10至+70°C
推薦粘度 25-50 cSt
噪聲等級 61-70 dB(A)(滿排量)
.
應用領域
工業液壓:機床、塑料機械、冶金設備、壓力機等需要流量控制的場景。
移動液壓:工程機械(挖掘機、起重機)、農業機械等需按需供油的設備。
特殊應用:多泵聯動系統、需要節能控制的精密設備。
技術優勢
節能高效:通過排量調節減少能耗,適合負載變化頻繁的系統。
響應迅速:壓力調節器快速響應系統需求,穩定壓力波動。
兼容性強:可與迪普馬其他液壓元件(如閥門、馬達)組成完整系統。
選型建議
根據流量需求選擇排量:
輕載或小流量需求:選擇PVE-006(6.6 cm3/rev)。
中等流量需求:選擇PVE-011(11.1 cm3/rev)或PVE-016(16.6 cm3/rev)。
大流量需求:選擇PVE-023(22.2 cm3/rev)。
確認系統壓力:
確保所選型號的最大工作壓力(70 bar)滿足系統需求。
安裝尺寸與接口:
核對泵的安裝尺寸(如法蘭、軸伸)與接口標準(如BSPP、SAE),確保與現有系統兼容。
維護要點
油液清潔度:定期檢查并更換液壓油及濾芯,避免污染導致泵體磨損。
運行監測:避免長時間超負荷運行,防止過熱或異常噪音。
密封檢查:定期檢查密封件,防止泄漏。
溫度控制:確保油液溫度在推薦范圍內(-10至+70°C)。
與PVD系列對比
特性 PVE系列(可變排量) PVD系列(定量)
排量調節 自動調節,適應流量需求 固定排量,流量恒定
應用場景 負載變化頻繁的節能系統 對流量穩定性要求高的場景
能耗控制 高效節能 成本較低,但能耗固定
聯系方式
如需進一步了解PVE系列的詳細參數、選型指導或本地化服務,可聯系Duplomatic官方授權代理商或訪問其官網獲取技術支持。
總結:Duplomatic迪普馬PVE系列葉片泵以高效、智能、低噪音為核心競爭力,是工業與移動液壓系統中需要流量與壓力控制的理想選擇,尤其適合追求節能與精密控制的場景。
![【港隆液壓】液壓元件[液壓油泵,電磁閥] 一站式服務平臺](upload/20210127173032768281.png)





